Hydraulic pumps
A hydraulic pump is a device for converting mechanical energy into hydraulic energy. The principle of operation of the devices is based on displacement of the working fluid. Hydraulic pumps are used in hydraulic systems of equipment and special equipment. The units are in demand in industry, agriculture, and mechanical engineering. The main technical parameters possessed by the hydraulic pump are: working volume, maximum working pressure, rotation speed.
Types of hydraulic equipment
In our online store you can buy hydraulic pumps of famous brands Atos and Hydro Leduc (France), Sauer Danfoss (Denmark), Rexroth (Germany). According to the type of construction and the principle of operation, hydraulic equipment of the following types is distinguished:
They are manual. They have a simple design and a working volume of up to 50-70 cm3. Maintain the pressure in the hydraulic system at the level of 10-15 MPa. The principle of operation of manual units is based on the displacement of the working fluid during the movement of the piston caused by the handle. Hand pumps are used as emergency sources of hydraulic energy and in auxiliary mechanisms.
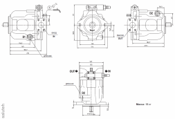
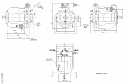
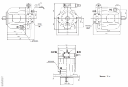
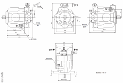
Axial-piston. Pistons are used as a working fluid displacer. Axial piston units are most in demand in modern hydraulic drives. The devices have the best dimensions and power, have high efficiency, create pressure up to 40 MPa and can operate at high speeds - up to 4 thousand /min. The equipment is equipped with an inclined block or disc.
Lamellar. The displacement of the hydrofluidic fluid occurs due to the movement of radially arranged plates or gates. The plates move reciprocally. One or two actions are performed in one movement: suction and injection. The devices have a low noise level and are suitable for linear operation. They develop a pressure of up to 20 MPa at rotational speeds of up to 1500 v min.
Purchase and delivery
The Salutech company offers to buy a hydraulic pump with delivery. The catalog contains a large selection of hydraulic pumps of different capacities from leading European manufacturers. The equipment with accompanying documentation is delivered to any region of Russia. You can place an order online or by phone.



































