Write to
WhatsApp
Write to
Telegram
Catalog
All categories
  • All categories
  • Automation
  • Vibration motors
  • Hydraulics
  • Sensors
  • Valves
  • Compressors
  • Pumps
  • Drives
  • Food valves
  • Heat exchangers

Rotary pump SHNK14-5/2 (ORA-5/2)-MNR-DU50/DU50

Brand:PMS
For comparison
To favorites
Vendor code:ШНК14-5/2 (ОРА-5/2)-МНР-ДУ50/ДУ50
Rotary pump SHNK14-5/2 (ORA-5/2)-MNR-DU50/DU50
Rotary pump SHNK14-5/2 (ORA-5/2)-MNR-DU50/DU50
Rotary pump SHNK14-5/2 (ORA-5/2)-MNR-DU50/DU50
div class="swiper-slide product-images__thumb-slide">
Rotary pump SHNK14-5/2 (ORA-5/2)-MNR-DU50/DU50
div class="swiper-slide product-images__thumb-slide">
Rotary pump SHNK14-5/2 (ORA-5/2)-MNR-DU50/DU50
div class="swiper-slide product-images__thumb-slide">
Rotary pump SHNK14-5/2 (ORA-5/2)-MNR-DU50/DU50
Brand
Weight, kg
Pressure PN, bar
Consumption, m3/h:
Pre-order
$2,133.52
11
Related files
Delivery across EC anв UAE
On-line payment on the website
Discount system
Purchase returns
Description
Features
Reviews

SHNK14-5/2 (ORA-5/2)-MNR-DU50/DU50 Rotary Pump 

 (SHNK-14-5/2(ORA-5/2)-M-pump brand, H- seal packing,  P- heating/cooling jacket, DN50/DN50 –product input/output)

Q=5.0 m3/hour, N=2.2 kW, P=0.5MPa (5atm), n=950/400 rpm

Designed for pumping semi-viscous, fluid products.
The pumps are easy to maintain, easy to clean and disassemble.

All components and parts in contact with the product are made of stainless acid-resistant steel.

Advantages:

  • High performance with relatively small dimensions (reduction occupied area);
  • The possibility of vertical execution, which improves the suction conditions for complex products;
  • The possibility of manufacturing with a heating jacket;
  • Easy to maintain and operate, reliable and durable.

 TECHNICAL CHARACTERISTICS OF THE PUMP: Product – n/a

  • Product temperature – up to +1000C
  • Capacity– 5.0 m3/hour ±10%
  • Discharge pressure - up to 0.5 MPa (5 atm.)
  • The number of rotations of the rotors is 400 rpm

Electric motor:

  • (general industrial design (50Hz, IP54, U2):
  • Power -2.2 kW
  • Voltage – 380 V
  • Number of revolutions – 950 rpm
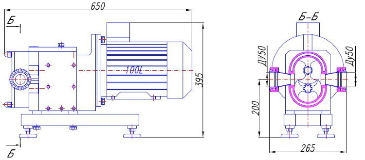
  • Product input/output - DN50/DN50 DIN 11 851
  • Overall dimensions – 650 x 265 x 395 mm
  • Weight – 90 kg
  • Shaft seal – stuffing box
  • The material of the flow part of the pump is steel 12X18H10T and 14X17H2
  • The frame material is AISI3 stainless steel
  • The dependence of the pump supply on the number of revolutions.

It is designed for pumping fermented milk products, cottage cheese and whey mixtures, high-fat cream, condensed milk, jam, ice cream mixes, mayonnaise, sauces, etc.
The pumps are easy to maintain, easy to clean and disassemble. All components and parts in contact with the product are manufactured.

 

Features
Brand
Weight, kg
Pressure PN, bar
Consumption, m3/h:
Power, kW:
Power Supply, In
Rotation speed, rpm
Temperature Tmax, °C
Dimensions, mm
Diameter DN, mm
Housing material
No reviews yet — yours could be the first.
All reviews 0
overall rating
Список отзывов пуст