Write to
WhatsApp
Write to
Telegram
Catalog
All categories
  • All categories
  • Automation
  • Vibration motors
  • Hydraulics
  • Sensors
  • Valves
  • Compressors
  • Pumps
  • Drives
  • Food valves
  • Heat exchangers

Plate heat exchanger Tranter GC-044P

Brand:Tranter
For comparison
To favorites
Vendor code:GC-044P
Plate heat exchanger Tranter GC-044P
Plate heat exchanger Tranter GC-044P
Plate heat exchanger Tranter GC-044P
div class="swiper-slide product-images__thumb-slide">
Plate heat exchanger Tranter GC-044P
div class="swiper-slide product-images__thumb-slide">
Plate heat exchanger Tranter GC-044P
div class="swiper-slide product-images__thumb-slide">
Plate heat exchanger Tranter GC-044P
Temperature Tmax, °C
Brand
Pre-order
$0
11
Related files
Delivery across EC anв UAE
On-line payment on the website
Discount system
Purchase returns
Description
Features
Reviews

The Tranter GC-044 P heat exchanger consists of a package of heat exchange plates made of high-quality Swedish stainless steel. All plates are fixed on the supporting and guide consoles, and are also clamped by two plates: movable and fixed.

The GC-044 P uses corrugated plates with high-quality sealing around the perimeter. The heat transfer coefficient and pressure drop are determined by the angle of the swept corrugations available on the plates.

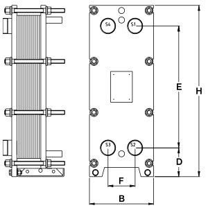
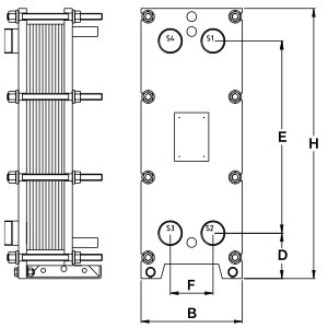
Sizes

  • D - 220 mm;
  • Height H – 1675 mm;
  • The diameter of the connection is DN – 100;
  • B – 450 mm;
  • E – 1189 mm;
  • F – 226 mm.

TECHNICAL CHARACTERISTICS OF THE TRANTER GC-044 PI HEAT EXCHANGER

  • Features
    Temperature Tmax, °C
    Brand
No reviews yet — yours could be the first.
All reviews 0
overall rating
Список отзывов пуст