Write to
WhatsApp
Write to
Telegram
Catalog
All categories
  • All categories
  • Automation
  • Vibration motors
  • Hydraulics
  • Sensors
  • Valves
  • Compressors
  • Pumps
  • Drives
  • Food valves
  • Heat exchangers

Plate heat exchanger Tranter GC-044N

Brand:Tranter
For comparison
To favorites
Vendor code:GC-044N
Plate heat exchanger Tranter GC-044N
Plate heat exchanger Tranter GC-044N
Plate heat exchanger Tranter GC-044N
div class="swiper-slide product-images__thumb-slide">
Plate heat exchanger Tranter GC-044N
div class="swiper-slide product-images__thumb-slide">
Plate heat exchanger Tranter GC-044N
div class="swiper-slide product-images__thumb-slide">
Plate heat exchanger Tranter GC-044N
Brand
Pre-order
$0
11
Related files
Delivery across EC anв UAE
On-line payment on the website
Discount system
Purchase returns
Description
Features
Reviews

Heat exchangers Tranter GC-044 N — this is an equipment with excellent performance characteristics, made of high-quality modern materials and therefore has durability, reliability and the ability to withstand intensive operation in various conditions.

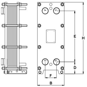
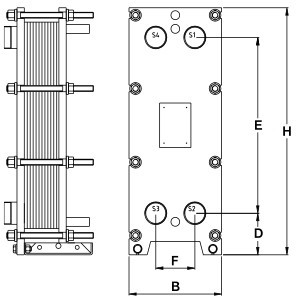
Sizes

  • D - 220 mm;
  • Height H – 1166 mm;
  • The diameter of the connection is DN – 100;
  • B – 450 mm;
  • E – 1189 mm;
  • F – 226 mm.

TECHNICAL CHARACTERISTICS OF THE TRANTER GC-044 N HEAT EXCHANGER

  • maximum operating temperature 180 °C;
  • The maximum working pressure is 16 bar;
  • sealing materials used -
Features
Brand
No reviews yet — yours could be the first.
All reviews 0
overall rating
Список отзывов пуст