Rotary disc valves
Disc valves are a separate type of mechanism from the category of pipe fittings, designed to adjust or stop the flow of liquid in the system. The name closely echoes the design features: the locking device has a disk configuration, it is located inside the housing. The flow capacity in the pipeline is adjusted by changing the angle of the disk. When the disc is in a position perpendicular to the pipe, at this time the disc gate completely blocks the flow of the liquid medium.
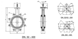
The device and the principle of operation of the rotary disc shutter
The disc valves are 100 percent sealed devices, since a sealing connection is installed in each housing at the point where the disc comes into contact with the system. The design consists of:
- enclosures;
- the disk;
- the cuff;
- top cover with screw;
- flanges;
- seals and gaskets;
- bearings, screws, washers, etc.
According to the principle of operation, the rotary disc valve is similar to most types of shut-off valves: the disc rotates around the axis, regulating the flow of liquid or blocking the flow completely.
Advantages of disc valves
The mechanisms, in comparison with their analogues, have many advantages:
- relatively compact design with low weight;
- affordable price in this market segment;
- high level of tightness;
- simplicity of design combined with maintainability;
- low hydraulic resistance parameters;
- there are no stagnant areas;
- overlaps quickly;
- versatility of application: works for both adjustment and complete overlap of the system;
- easy installation and maintenance;
- a wide range of products: there are small and large diameters.
There is not a significant disadvantage – the rotary disc shutter is difficult to clean mechanically, but, given the absence of stagnation, dirt almost does not accumulate.
Areas of application of closures
Products are used in diverse industries:
- petrochemical and oil and gas industries;
- shipbuilding;
- metallurgical industry;
- energy;
- communal;
- mechanical engineering;
But, first of all, the rotary shutter is used for the arrangement of water supply and heat supply. Shut-off valves are also indispensable in fire fighting, pharmaceuticals, and many production lines.
How do I buy a rotary disc shutter?
It is very simple to choose products in the Salutech online store: study the prices, assortment and characteristics of the product and make a choice. If you have doubts about the purchase, our managers will advise you on any issue.




































